| Sign In | Join Free | My benadorassociates.com |
|
Brand Name : Panlink
Model Number : PSR- TC12S
Certification : ISO 9001: 2015, CE
Place of Origin : China
MOQ : 1
Payment Terms : T/T
Packaging Details : Carton Box, EPE Foam, Wooden Box(For Large Goods)
Price : Negotiable
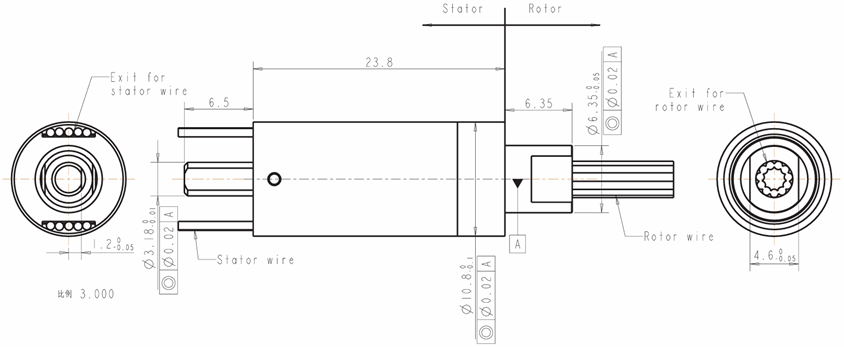
Name : High Speed Slip Ring
OD : 10.8mm
Length : 23.8mm
Speed : 3000rpm
Housing Material : Stainless Steel
Contact Material : Gold-Gold
Delivery Time : 4 Weeks
Supply Ability : 40 Million a Year
High Speed Super Miniature Slip Ring
A slip ring allows infinite power and signal transmission from a static to a rotational platform, it is also called a rotary electrical interface, commutator, collector, swivel or an electrical rotary joint.
This high speed super miniature slip ring PSR- TC12S is specially designed for aerospace and defense testing systems. It allows 12 x 1 Amps circuits and operating speed up to 3000rpm, extremely precise processing and superior concentricity enables it can keep reliable power and signal transmission capability under high-speed operating condition. Designed and manufactured according to military standard, stainless steel housing enclosed for harsh environment operating. Self-contained stainless-steel shaft makes mounting easier and space-saving.
| Main Application | Advantage |
| • High speed testing | • Low drive torque and low electrical noise |
| • Aerospace & navigation testing | • Easy to replace brush block for extended life |
| • Tire testing | • Maintenance-free operation ( no lubrication required) |
| • Centrifuges | • High quality and reliability |
| • Thermocouple and strain gauge instruments | |
| • Robotics |
| Feature |
| • Speeds up to 20,000rpm |
| • Speeds up to 12,0000rpm without the need of cooling |
| • Compatible with various signals and communication protocols |
| • High performance under adverse operating conditions |
| • A variety of configurations and mounting optional |
| • Stainless steel housing and higher protection optional |
| Model | Rings | Current Rating (amps) | Voltage Rating (VAC) | Size (mm) | Speed (rpm) | |
| OD | L | |||||
| PSR- TC12S | 12 | 1 | 240 | 10.8 | 23.8 | 1~3,000 |
| Remark: Lifetime can be extended by replacing brush blocks. | ||||||
| Model | PSR-TC12S |
| Voltage Rating | 240VAC |
| Current Rating | 1A per circuit |
| Insulation Resistance | 200MΩ @ 500VDC |
| Electrical Noise | 10mΩ @ 6VDC, 50mA, 5rpm |
| Dielectric Strength | 500VAC/ 50Hz/ 60s |
| Rotating Speed, Max | 300rpm |
| Torque During Rotation, Max | 0.01N.m |
| Life Time, Min | 30 million revolutions |
| Contact Material | Gold-Gold |
| Lead Wires | AWG#32 Temperature Wires |
| Housing Material | Stainless steel |
| Working Temperature | -40℃ to +80℃(-40℉ to +176℉) |
| Storage Temperature | -45℃ to +85℃(-49℉ to +185℉) |
| Shock | MIL-STD-810G |
| Protection Level | IP54 |
PSR- TC12S

|
|
OD 10.8mm High Speed Slip Ring , Super Miniature Slip Ring For High Precision Instruments Images |